北京物流信息联盟

电动机启动方式(二)—星-三角启动原理解析

2022-03-17 10:22:07

一、电动机星-三角启动简述

当负载对电动机启动力矩无严格要求又要限制电动机启动电流,电机满足380V/Δ接线条件,电机正常运行时定子绕组接成三角形才能采用星三角启动方法

-三角启动是一种降压启动方法,启动时三相定子绕组接成星形,待转速接近稳定时改接成三角形。这样,启动电压,电流都只有三角形连接时的1/√3,由于三角形连接时绕组内的电流是线路电流的1/√3,而星形连接时二者是相等的。因此,接成星形启动时的线路电流只有接成三角形直接启动时线路电流的1/3.由于启动转矩MqU2Mq也要降低到直接启动时的1/3,因此这种启动方法只适用于空载或轻载启动。

固定接法的Y或△方式电机,绕组实际所承受的电压是不一样的。接法电机的每相绕组是承受电压380VY接法电机的每相绕组是承受电压220V,即Y接法比△接法每相绕组承受的电压降低根号3(1.732),则Y接法比△接法每相绕组匝数少根号3(1.732)

那么,原接法改为Y接法时,绕组匝数没变(只是接法改变),这时绕组可承受电压380V的根号3(660V),能承受660V电压的绕组去承受220V电压,其倍率是220V根号3倍再根号3倍,实际相电流也就是原△接法时电流的1/3了。

星形接法线电压等于相电压而电机绕组匝数没变(阻值没变)I=U/R可知,电压减少,电流降低。

二、星-三角启动的条件

1、容量7.5KW以上的三相异步电动机

2、电动机在启动瞬间造成电网电压波动小于10%的,对于不经常启动的电动机可以放宽到15%;如果有专用变压器S变压器≥5P电机,电动机允许直接频繁启动。
  3、满足经验经验公式:Ist/IN<0.75+ST\4PN
  ST----公用变压器容量,KVA;
  PN-----电动机额定功率,KW;
  Ist/IN---电动机启动电流额定电流之比。

4、星三角降压启动的电动机三相绕组共有六个外接端子:A-X、B-Y、C-Z (以下以额定电压380V的电机为例)

  A.星形启动:X-Y-Z相连,A、B、C三端接三相交流电压380V,此时每相绕组电压为220,较直接加380V启动电流大为降低,避免了过大的启动电流对电网形成的冲击。此时的转矩相对较小,但电动机可达到一定的转速。


  B.角形运行:经星形启动电动机持续一段时间(约几十秒钟)达到一定的转速后,电器开关把六个接线端子转换成三角形连接并再次接到380V电源时每相绕组电压为380V,转矩转速大大提高,电动机进入额定条件下的运行过程

三、电动机星-三角启动方式分析


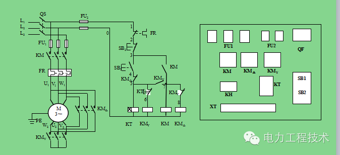
合上电源开关QS,按下按钮SB2,使KM1得电并自锁,随即KM3得电,电动机接成星形,接入三相电源进行降压启动。在KM3得电的同时,时间继电器KT得电,经一段延时后,KT的常闭触点断开,KM3失电,同时KT的常开触点闭合,KM2得电并自锁,电动机绕组接成三角形全压运行。当KM2得电后,KM2的常闭触点断开,使KT断电,避免时间继电器长期工作,KM2,KM3常闭触点为互锁触点,以防止同时接成星形和三角形造成电源短路。

四、时间继电器自动控制的Y-△降压启动线路


时间继电器控制的Y-△降压启动工作原理


时间继电器自动控制的Y-△降压启动线路


本电路操作简单,安全可靠,Y-△降压启动过程由接触器和时间继电器自动来完成,无需人工干预,且降压启动时间可调。因为有时间继电器控制,所以保证了启动时间的准确性。

五、Y-△降压启动控制线路图及面板分配图


【郑重声明】

本公众号所有文章来于原创,企业账户,互联网站,企业公众号,未经本人许可,禁止转载,一经发现,立即举报,后果自负!

【关于我们】

电力工程技术公众平台服务于大家,每天分享一篇电力相关知识解析,共同交流学习。

欢迎添加个人微信号:121616107

欢迎关注微信公众号,请扫一扫!

友情链接

Copyright © 2023 All Rights Reserved 版权所有 北京物流信息联盟