北京物流信息联盟

部分三次风引入一次粉管对降低NOx的改造分析

2022-07-08 13:31:05


摘要:对于燃用贫煤的中间储仓式热风送粉的四角切圆锅炉系统,低氮燃烧改造后,三次风对NOx排放会产生不利的影响。通过实际运行发现,三次风量增加使还原区过量空气偏大,NOx升高。在低负荷时,投运的磨煤机偏多,三次风风量偏大,NOx升高明显。在进一步改造中,将部分三次风下移及引入一次粉管对降低NOx起到了很好的效果。

关键词:三次风     四角切圆锅炉     NOx


1、概述

华润电力登封有限公司一期工程2×300MW机组#1、#2锅炉为满足环保要求,均进行了低氮燃烧器改造,并相应增加了高位燃尽风,采用了分级燃烧技术,使脱硝入口NOx降至平均550mg/Nm3.为了在现有设备基础上通过小幅改造进一步降低脱硝入口NOx,降低喷氨量,对2D制粉系统三次风进行了改造。


2、设备概况

华润电力登封有限公司一期工程2×300MW机组#1、#2锅炉均为东方锅炉股份有限公司生产的DG1025/18.2-II12型亚临界自然循环汽包炉,采用钢球磨中储式制粉系统、热风送粉,直流式百叶窗水平浓淡燃烧器,四角布置,切向燃烧方式,尾部双烟道布置,烟气挡板调节再热汽温,喷水减温控制过热汽温,容克式三分仓回转式空气预热器,刮板捞渣机连续固态出渣,平衡通风,全钢构架,露天岛式布置

正方形炉膛尺寸为为12801.6 mm×12801.6 mm,炉膛中心形成直径为 600 mm的逆时针切圆。炉顶管中心标高为62m,每角燃烧器共由5层煤粉燃烧器,8层二次风喷口(其中1层 OFA喷嘴)和一层三次风喷口组成,顶部设置4层高位燃尽风喷口。同时将B磨煤机和C磨煤机三次风分为fu和fd上下两组,其中C磨煤机三次风移至1、3号角E层燃烧器上下进入炉膛,D磨煤机三次风移至2、4号角E层燃烧器上下进入炉膛。在同磨的对角三次风总管上加可调节手动门。用于调平对角的三次风风速;起到降低炉膛顶部三次风量,降低火焰中心,达到降低NOx的目的。


按照NOx生成机制,分为热力型NOx,快速型NOx,燃料型NOx和再燃还原NOx。燃煤锅炉NOx燃烧主要是热力型,所以本文重点关注热力型NOx的产生。煤种的工业分析和元素分析见表 1所示。        

  


3、磨煤机运行方式对炉内NOx生成的影响

中储式热风送粉系统,机组在运行过程当中可以有选择性的投停制粉系统。即运行中三次风率的大小取决于制粉系统运行台数。由表2数据知额定负荷时磨运行三次风占炉内总风量的21.77%。三次风是否投入对炉内燃烧及NOx的生成影响较大。图二为投停制粉系统NOx变化。


通过以上数据分析发现,对比磨煤机停运时,NOx生成量高于投入磨煤机运行时。原因分析为锅炉在较低负荷时由于三次风量过大,造成三次风带粉量增加,相对减少了主燃烧器的出力,将炉内主燃烧区火焰拉长,提升了火焰中心的位置,不利于富燃区NOx降低。同时由于三次风率过大而含粉量过低进入炉膛燃烧产生的燃烧热相对较少。由表2看出三次风风温低,风率达。大量的较低风温的三次风进入炉膛与炉内的高温烟气混合降低了炉内的火焰温度,三次风率过高造成低负荷锅炉含氧量大,不利于还原区NOx的降低。

锅炉的燃烧需要一定的过量空气系数,即炉膛出口氧量是一定的,即送入炉膛的风量也是一定,如果进入制粉系统的风量偏大,就会造成通过二次风喷口进入炉膛的风量减少。同时三次风量偏大也将导致粗、细粉分离器的效率变差,煤粉细度变粗,造成煤粉燃尽困难,飞灰含碳量增加,减温水用量增加,并增加炉膛结焦风险。如果改造将部分三次风移到主燃区中部,实际充当二次风使用,不仅可以降低主燃区过量空气系数,而且增加还原区高度,有利于NOx的降低。


4、改造方案:

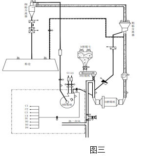
在2D制粉系统再循环电动门前加装管道(如图三虚线所示),通过截流排粉机出口三次风门,将部分三次风分别引入C、D层一次粉管。控制一次粉管风速在32m/s—35m/s,从而在不影响锅炉稳定燃烧的情况下,降低炉内还原区风量,同时配合顶层高位燃尽风,压低炉内火焰中心位置,达到降低NOx的目的。


5、改造性能分析

1、 图四所示通过改造,脱硝入口NOx比相同负荷下降低50mg/Nm3,减轻了脱硝压力。

2、 炉内燃烧工况稳定,未发现火焰贴壁和炉内结焦现象。


6 结论

l )三次风量过大对内分级燃烧造成扰动,不利于降低NOx。

2) 将三次风下移充当二次风使用,和将部分三次风并入一次粉管,可以明显减少三次风对炉内燃烧的扰动,能有效降低NOx的生成。

3)改造后制粉系统启停复杂,且停运制粉系统可能导致一次风窜入三次风管使粉管积粉。

综上所述,合理控制三次风量、三次风分组下移进入炉膛并充当二次风是进一步降低中储式热风送粉系统锅炉NOx有效途径。


免责声明

本平台旨在传播行业资讯、最佳技术,对上述内容,对文中陈述、观点判断保持中立,不对所包含内容的准确性、可靠性或完整性提供任何明示或暗示的保证。仅作参考!相关需要请与编辑部联系(邮箱:cpower@188.com)。


友情链接

Copyright © 2023 All Rights Reserved 版权所有 北京物流信息联盟